
製品情報:SFⅡ, SFⅡG (旧型)

| SFⅡ(2.2〜15kW) 標準仕様 | ||||||||
|---|---|---|---|---|---|---|---|---|
| 項目 | 口径〔mm〕 | 100 | 150 | ---- | ---- | ---- | ---- | |
| 取扱液 | ||||||||
| 液質 | 汚水・汚物水 | |||||||
| 液温 | 0〜40℃ | |||||||
| 異物の 大きさ |
球状の径 | 口径の60%以下 | ||||||
| 繊維の長さ | 口径の300%以下 | |||||||
| ポンプ | ||||||||
| 構造 | 羽根車 | 一枚羽根ノンクロッグ | ||||||
| 軸封 | メカニカルシール | |||||||
| 軸受 | 玉軸受 | |||||||
| 材質 | 羽根車 | FC200(超硬チップ付) | ||||||
| ケーシング | FC200 | |||||||
| カッターディスク | FC200(2.2〜5.5kW)、SCS13(7.5〜15kW) | |||||||
| メカニカルシール | SiC | |||||||
| 電動機 | ||||||||
| 種類 | 三相誘導電動機 | |||||||
| 極数・絶縁 | 2極(11kW)、4極(2.2〜15kW) 6極(7.5kW)、E種 |
|||||||
| 相・電圧 | 三相200V/200・220V | |||||||
| 内蔵保護装置 | サークルサーマルプロテクタ(2.2〜7.5kW) ミニチュアプロテクタ(11・15kW) |
|||||||
| 材質 | フレーム | FC200 | ||||||
| シャフト | SUS420J2 | |||||||
| ケーブル | VCT(2.2〜7.5kW)、2RNCT(11・15kW) | |||||||
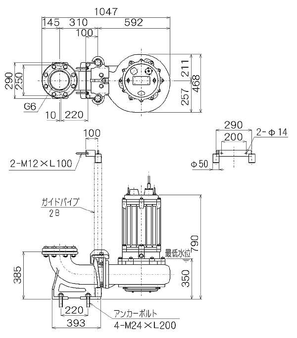
| 配管との接続 | JIS10kg/cm2フランジ | |||||||
| 諸元表〔50Hz〕 | ||||||||||||||||||||||
|---|---|---|---|---|---|---|---|---|---|---|---|---|---|---|---|---|---|---|---|---|---|---|
| 型 式 (着脱式型式) |
口径 mm |
出力 kW |
電圧 | 極数 P |
回転数 min-1 |
定格 電流 A |
始動 電流 A |
始動方式 | 定格 消費電力 kW |
オイル 量 ℓ |
軸受 | キャブタイヤケーブル | ||||||||||
| 相数 | V | 上部 | 下部 | 材質 | 芯数 | 断面積 mm2 |
外径 mm |
長さ m |
||||||||||||||
| SFⅡ-34 SFⅡG-34 | 100 | 2.2 | 3 | 200 | 4 | 1430 | 9.2 | 51 | 直入 | 2.66 | 2.6 | 6304ZZ | 6307ZZ | VCT | 4 | 2 | 11.7 | 10 | ||||
| SFⅡ-54 SFⅡG-54 | 100 | 3.7 | 3 | 200 | 4 | 1430 | 16 | 84 | 直入 | 4.1 | 4 | 6305ZZ | 7308BDB | VCT | 4 | 2 | 11.7 | 10 | ||||
| SFⅡ-74 SFⅡG-74 | 100 | 5.5 | 3 | 200 | 4 | 1440 | 22 | 136 | 直入 | 6.46 | 4 | 6305ZZ | 7308BDB | VCT | 4 | 3.5 | 13.8 | 10 | ||||
| SFⅡ-104L SFⅡG-104L | 100 | 7.5 | 3 | 200 | 4 | 1445 | 31 | 181 | 直入 | 8.53 | 3 | 6306ZZ | 6311ZZ | VCT | 4 | 5.5 | 16.5 | 10 | ||||
| SFⅡ-106 SFⅡG-106 | 150 | 7.5 | 3 | 200 | 6 | 970 | 33 | 162 | 直入 | 8.61 | 3.8 | 6308ZZ | 7309BDB | VCT | 4 | 5.5 | 16.5 | 10 | ||||
| SFⅡ-154H SFⅡG-154H | 100 | 11 | 3 | 200 | 2 | 2930 | 39.5 | 275 | Y-Δ スターデルタ | 12.07 | 3.2 | 6308ZZ | 7308BDB | 2RNCT | 4 3 2 |
| 19.1 | 10 | ||||
| SFⅡ-156M SFⅡG-156M | 150 | 11 | 3 | 200 | 4 | 1460 | 44 | 275 | Y-Δ スターデルタ | 12.02 | 4 | 6308ZZ | 7308BDB | 2RNCT | 4 3 2 |
| 19.1 | 10 | ||||
| SFⅡ-206M SFⅡG-206M | 150 | 15 | 3 | 200 | 4 | 1460 | 57 | 349 | Y-Δ スターデルタ | 16.46 | 4 | 6308ZZ | 7309BDB | 2RNCT | 4 3 2 |
| 19.1 | 10 | ||||
| 諸元表〔60Hz〕 | ||||||||||||||||||||||
|---|---|---|---|---|---|---|---|---|---|---|---|---|---|---|---|---|---|---|---|---|---|---|
| 型 式 (着脱式型式) |
口径 mm |
出力 kW |
電圧 | 極数 P |
回転数 min-1 |
定格 電流 A |
始動 電流 A |
始動方式 | 定格 消費電力 kW |
オイル 量 ℓ |
軸受 | キャブタイヤケーブル | ||||||||||
| 相数 | V | 上部 | 下部 | 材質 | 芯数 | 断面積 mm2 |
外径 mm |
長さ m |
||||||||||||||
| SFⅡ-34 SFⅡG-34 | 100 | 2.2 | 3 | 200 | 4 | 1715 | 8.6 | 46 | 直入 | 2.63 | 2.6 | 6304ZZ | 6307ZZ | VCT | 4 | 2 | 11.7 | 10 | ||||
| SFⅡ-54 SFⅡG-54 | 100 | 3.7 | 3 | 200 | 4 | 1715 | 15 | 74 | 直入 | 4.4 | 4 | 6305ZZ | 7308BDB | VCT | 4 | 2 | 11.7 | 10 | ||||
| SFⅡ-74 SFⅡG-74 | 100 | 5.5 | 3 | 200 | 4 | 1725 | 21 | 120 | 直入 | 6.39 | 4 | 6305ZZ | 7308BDB | VCT | 4 | 3.5 | 13.8 | 10 | ||||
| SFⅡ-104L SFⅡG-104L | 100 | 7.5 | 3 | 200 | 4 | 1730 | 29 | 176 | 直入 | 8.47 | 3 | 6306ZZ | 6311ZZ | VCT | 4 | 5.5 | 16.5 | 10 | ||||
| SFⅡ-106 SFⅡG-106 | 150 | 7.5 | 3 | 200 | 6 | 1165 | 31 | 142 | 直入 | 8.55 | 3.8 | 6308ZZ | 7309BDB | VCT | 4 | 5.5 | 16.5 | 10 | ||||
| SFⅡ-154H SFⅡG-154H | 100 | 11 | 3 | 200 | 2 | 3515 | 39 | 242 | Y-Δ スターデルタ | 12.12 | 3.2 | 6308ZZ | 7308BDB | 2RNCT | 4 3 2 |
| 19.1 | 10 | ||||
| SFⅡ-156M SFⅡG-156M | 150 | 11 | 3 | 200 | 4 | 1750 | 42 | 242 | Y-Δ スターデルタ | 11.98 | 4 | 6308ZZ | 7308BDB | 2RNCT | 4 3 2 |
| 19.1 | 10 | ||||
| SFⅡ-206M SFⅡG-206M | 150 | 15 | 3 | 200 | 4 | 1750 | 56 | 336 | Y-Δ スターデルタ | 16.45 | 4 | 6308ZZ | 7309BDB | 2RNCT | 4 3 2 |
| 19.1 | 10 | ||||