
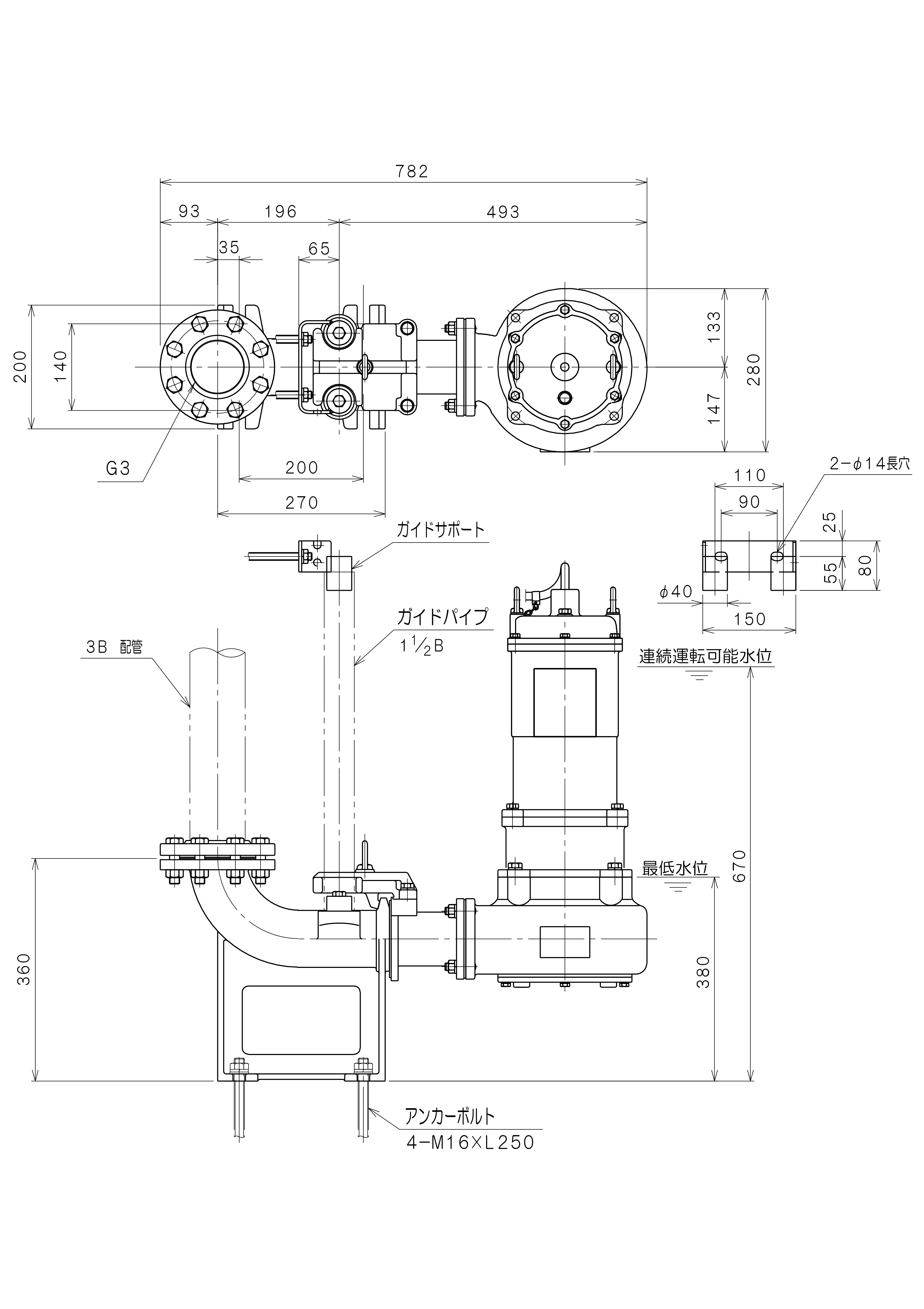
製品情報:KVⅡ, KV3

| KVⅡ(0.25〜2.2kW) 標準仕様 | ||||||||
|---|---|---|---|---|---|---|---|---|
| 項目 | 口径〔mm〕 | 40 | 50 | 65 | 80 | ---- | ---- | |
| 取扱液 | ||||||||
| 液質 | 汚水・汚物水 | |||||||
| 液温 | 0〜40℃ | |||||||
| 異物の 大きさ |
球状の径 | 口径の60%以下 | ||||||
| 繊維の長さ | 口径の300%以下 | |||||||
| ポンプ | ||||||||
| 構造 | 羽根車 | 渦流 | ||||||
| 軸封 | メカニカルシール | |||||||
| 軸受 | 玉軸受 | |||||||
| 材質 | 羽根車 | FC200 | ||||||
| ケーシング | FC200 | |||||||
| 羽根車カバー | ケーシングに含む(0.25〜0.75kW) FC200(1.5〜2.2kW) |
|||||||
| メカニカルシール | SiC | |||||||
| 電動機 | ||||||||
| 種類 | 単相誘導電動機(0.25・0.4kW) 三相誘導電動機(0.25〜2.2kW) |
|||||||
| 極数・絶縁 | 2極・E種 | |||||||
| 相・電圧 | 単相100V(0.25・0.4kW) 三相200V/200・220V(0.25〜2.2kW) |
|||||||
| 内蔵保護装置 | サークルサーマルプロテクタ | |||||||
| 材質 | フレーム | FC150(0.25〜0.75kW) SPCC(1.5・2.2kW) |
||||||
| シャフト | SUS403(0.25〜2.2kW) | |||||||
| ケーブル | VCT | |||||||
| 配管との接続 | ネジ込みフランジ(0.25〜0.75kW) JIS10kg/cm2フランジ(1.5〜2.2kW) |
|||||||
| KV3(3.7〜7.5kW) 標準仕様 | ||||||||
|---|---|---|---|---|---|---|---|---|
| 項目 | 口径〔mm〕 | 80 | 100 | ---- | ---- | ---- | ---- | |
| 取扱液 | ||||||||
| 液質 | 汚水・汚物水 | |||||||
| 液温 | 0〜40℃ | |||||||
| 異物の 大きさ |
球状の径 | 口径の60%以下 | ||||||
| 繊維の長さ | 口径の300%以下 | |||||||
| ポンプ | ||||||||
| 構造 | 羽根車 | 渦流 | ||||||
| 軸封 | メカニカルシール | |||||||
| 軸受 | 玉軸受 | |||||||
| 材質 | 羽根車 | FC200 | ||||||
| ケーシング | FC200 | |||||||
| 羽根車カバー | FC200 | |||||||
| メカニカルシール | SiC | |||||||
| 電動機 | ||||||||
| 種類 | 三相誘導電動機 | |||||||
| 極数・絶縁 | 2極・E種 | |||||||
| 相・電圧 | 三相200V/200・220V | |||||||
| 内蔵保護装置 | サークルサーマルプロテクタ | |||||||
| 材質 | フレーム | FC250 | ||||||
| シャフト | SUS403 | |||||||
| ケーブル | 2PNCT | |||||||
| 配管との接続 | JIS10kg/cm2フランジ | |||||||
| 諸元表〔50Hz〕 | ||||||||||||||||||
|---|---|---|---|---|---|---|---|---|---|---|---|---|---|---|---|---|---|---|
| 型 式 (着脱式型式) |
口径 mm |
出力 kW |
電圧 | 極数 P |
回転数 min-1 |
定格 電流 A |
始動 電流 A |
始動方式 | 定格 消費電力 kW |
オイル 量 ℓ |
軸受 | キャブタイヤケーブル | ||||||
| 相数 | V | 上部 | 下部 | 材質 | 芯数 | 断面積 mm2 |
外径 mm |
長さ m |
||||||||||
| KVⅡ-250S KVⅡG-250S | 40 | 0.25 | 1 | 100 | 2 | 2860 | 6 | 37 | 分相 | 0.43 | 0.18 | 6201ZZ | 6202ZZ | VCT | 3 | 1.25 | 10.1 | 6 |
| KVⅡ-250-2T KVⅡG-250-2T | 40 | 0.25 | 3 | 200 | 2 | 2810 | 1.5 | 7.3 | 直入 | 0.38 | 0.18 | 6201ZZ | 6202ZZ | VCT | 4 | 1.25 | 11.1 | 6 |
| KVⅡ-400S KVⅡG-400S | 50 | 0.4 | 1 | 100 | 2 | 2820 | 7.8 | 27 | コンデンサー | 0.62 | 0.19 | 6201ZZ | 6202ZZ | VCT | 3 | 1.25 | 10.1 | 6 |
| KVⅡ-400-2T KVⅡG-400-2T | 50 | 0.4 | 3 | 200 | 2 | 2820 | 2.08 | 11 | 直入 | 0.57 | 0.18 | 6201ZZ | 6202ZZ | VCT | 4 | 1.25 | 11.1 | 6 |
| KVⅡ-750-2T KVⅡG-750-2T | 50 | 0.75 | 3 | 200 | 2 | 2790 | 3.4 | 20 | 直入 | 1.03 | 0.19 | 6201ZZ | 6202ZZ | VCT | 4 | 1.25 | 11.1 | 6 |
| KVⅡ-221 KVⅡG-221 | 65 | 1.5 | 3 | 200 | 2 | 2895 | 6.5 | 35 | 直入 | 1.89 | 0.55 | 6303ZZ | 6306ZZ | VCT | 4 | 1.25 | 11.1 | 10 |
| KVⅡ-331 KVⅡG-331 | 80 | 2.2 | 3 | 200 | 2 | 2840 | 8.9 | 50 | 直入 | 2.7 | 0.55 | 6303ZZ | 6306ZZ | VCT | 4 | 2 | 12 | 10 |
| KV3-53 KV3G-53 | 80 | 3.7 | 3 | 200 | 2 | 2874 | 15 | 90 | 直入 | 4.35 | 1.2 | 6305ZZC3 | 6309ZZC3 | 2PNCT | 4 | 2 | 12.5 | 10 |
| KV3-54 KV3G-54 | 100 | 3.7 | 3 | 200 | 2 | 2874 | 15 | 90 | 直入 | 4.35 | 1.2 | 6305ZZC3 | 6309ZZC3 | 2PNCT | 4 | 2 | 12.5 | 10 |
| KV3-73 KV3G-73 | 80 | 5.5 | 3 | 200 | 2 | 2875 | 21 | 156 | 直入 | 6.46 | 1.3 | 6306ZZC3 | 7308BL1DB | 2PNCT | 4 | 3.5 | 14.5 | 10 |
| KV3-74 KV3G-74 | 100 | 5.5 | 3 | 200 | 2 | 2875 | 21 | 156 | 直入 | 6.46 | 1.3 | 6306ZZC3 | 7308BL1DB | 2PNCT | 4 | 3.5 | 14.5 | 10 |
| KV3-103 KV3G-103 | 80 | 7.5 | 3 | 200 | 2 | 2896 | 29 | 233 | 直入 | 8.4 | 1.3 | 6306ZZC3 | 7308BL1DB | 2PNCT | 4 | 5.5 | 17.0 | 10 |
| KV3-104 KV3G-104 | 100 | 7.5 | 3 | 200 | 2 | 2896 | 29 | 233 | 直入 | 8.4 | 1.3 | 6306ZZC3 | 7308BL1DB | 2PNCT | 4 | 5.5 | 17.0 | 10 |
| 諸元表〔60Hz〕 | ||||||||||||||||||
|---|---|---|---|---|---|---|---|---|---|---|---|---|---|---|---|---|---|---|
| 型 式 (着脱式型式) |
口径 mm |
出力 kW |
電圧 | 極数 P |
回転数 min-1 |
定格 電流 A |
始動 電流 A |
始動方式 | 定格 消費電力 kW |
オイル 量 ℓ |
軸受 | キャブタイヤケーブル | ||||||
| 相数 | V | 上部 | 下部 | 材質 | 芯数 | 断面積 mm2 |
外径 mm |
長さ m |
||||||||||
| KVⅡ-250S KVⅡG-250S | 40 | 0.25 | 1 | 100 | 2 | 3420 | 5.5 | 34 | 分相 | 0.42 | 0.18 | 6201ZZ | 6202ZZ | VCT | 3 | 1.25 | 10.1 | 6 |
| KVⅡ-250-2T KVⅡG-250-2T | 40 | 0.25 | 3 | 200 | 2 | 3355 | 1.4 | 6.7 | 直入 | 0.38 | 0.18 | 6201ZZ | 6202ZZ | VCT | 4 | 1.25 | 11.1 | 6 |
| KVⅡ-400S KVⅡG-400S | 50 | 0.4 | 1 | 100 | 2 | 3360 | 7.8 | 26 | コンデンサー | 0.64 | 0.19 | 6201ZZ | 6202ZZ | VCT | 3 | 1.25 | 10.1 | 6 |
| KVⅡ-400-2T KVⅡG-400-2T | 50 | 0.4 | 3 | 200 | 2 | 3370 | 1.95 | 9.5 | 直入 | 0.56 | 0.18 | 6201ZZ | 6202ZZ | VCT | 4 | 1.25 | 11.1 | 6 |
| KVⅡ-750-2T KVⅡG-750-2T | 50 | 0.75 | 3 | 200 | 2 | 3330 | 3.3 | 17 | 直入 | 1.04 | 0.19 | 6201ZZ | 6202ZZ | VCT | 4 | 1.25 | 11.1 | 6 |
| KVⅡ-221 KVⅡG-221 | 65 | 1.5 | 3 | 200 | 2 | 3450 | 6.2 | 32 | 直入 | 1.86 | 0.55 | 6303ZZ | 6306ZZ | VCT | 4 | 1.25 | 11.1 | 10 |
| KVⅡ-331 KVⅡG-331 | 80 | 2.2 | 3 | 200 | 2 | 3390 | 8.7 | 43 | 直入 | 2.7 | 0.55 | 6303ZZ | 6306ZZ | VCT | 4 | 2 | 12 | 10 |
| KV3-53 KV3G-53 | 80 | 3.7 | 3 | 200 | 2 | 3418 | 14 | 79 | 直入 | 4.37 | 1.2 | 6305ZZC3 | 6309ZZC3 | 2PNCT | 4 | 2 | 12.5 | 10 |
| KV3-54 KV3G-54 | 100 | 3.7 | 3 | 200 | 2 | 3418 | 14 | 79 | 直入 | 4.37 | 1.2 | 6305ZZC3 | 6309ZZC3 | 2PNCT | 4 | 2 | 12.5 | 10 |
| KV3-73 KV3G-73 | 80 | 5.5 | 3 | 200 | 2 | 3435 | 21 | 133 | 直入 | 6.26 | 1.3 | 6306ZZC3 | 7308BL1DB | 2PNCT | 4 | 3.5 | 14.5 | 10 |
| KV3-74 KV3G-74 | 100 | 5.5 | 3 | 200 | 2 | 3435 | 21 | 133 | 直入 | 6.26 | 1.3 | 6306ZZC3 | 7308BL1DB | 2PNCT | 4 | 3.5 | 14.5 | 10 |
| KV3-103 KV3G-103 | 80 | 7.5 | 3 | 200 | 2 | 3475 | 28 | 201 | 直入 | 8.41 | 1.3 | 6306ZZC3 | 7308BL1DB | 2PNCT | 4 | 5.5 | 17.0 | 10 |
| KV3-104 KV3G-104 | 100 | 7.5 | 3 | 200 | 2 | 3475 | 28 | 201 | 直入 | 8.41 | 1.3 | 6306ZZC3 | 7308BL1DB | 2PNCT | 4 | 5.5 | 17.0 | 10 |