
製品情報:EP-D, EP-DN

『高機能樹脂』と『ステンレス』
絶妙の組み合わせを実現!!
| EP-D, EP-DN(0.15〜0.75kW) 標準仕様 | ||||||||
|---|---|---|---|---|---|---|---|---|
| 項目 | 口径〔mm〕 | 40 | 50 | ---- | ---- | ---- | ---- | |
| 取扱液 | ||||||||
| 液質 | 汚水 | |||||||
| 液温 | 0〜40℃ | |||||||
| 異物の 大きさ |
球状の径 | 25mm | ||||||
| 繊維の長さ | ||||||||
| ポンプ | ||||||||
| 構造 | 羽根車 | 渦流 | ||||||
| 軸封 | メカニカルシール | |||||||
| 軸受 | 玉軸受 | |||||||
| 材質 | 羽根車 | 合成樹脂 | ||||||
| ケーシング | 合成樹脂 | |||||||
| 羽根車カバー | ケーシングに含む | |||||||
| メカニカルシール | SiC | |||||||
| 電動機 | ||||||||
| 種類 | 単相誘導電動機(0.15・0.25・0.4kW) 三相誘導電動機(0.15〜0.75kW) |
|||||||
| 極数・絶縁 | 2極・E種 | |||||||
| 相・電圧 | 単相100V(0.15・0.25・0.4kW) 三相200V(0.15〜0.75kW) |
|||||||
| 内蔵保護装置 | サークルサーマルプロテクタ | |||||||
| 材質 | フレーム | SUS304 | ||||||
| シャフト | SUS420J2 | |||||||
| ケーブル | VCT | |||||||
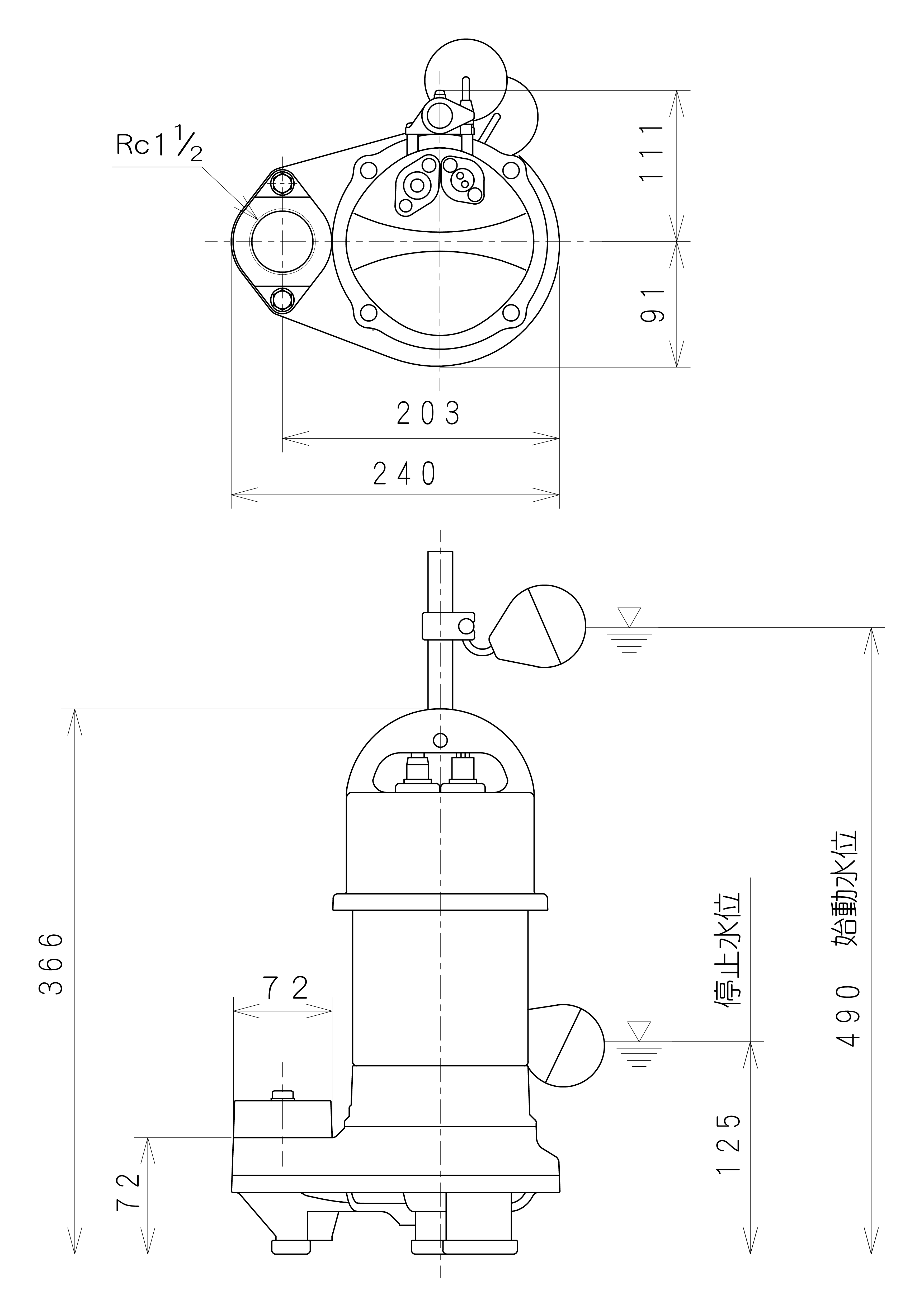
| 配管との接続 | ネジ込みフランジ (オプション : バルブ用ソケット形フランジ) |
|||||||
| 諸元表〔50Hz〕 | |||||||||||||||||
|---|---|---|---|---|---|---|---|---|---|---|---|---|---|---|---|---|---|
| 型 式 (交互運転型式) |
口径 mm |
出力 kW |
電圧 | 極数 P |
回転数 min-1 |
定格 電流 A |
始動 電流 A |
始動方式 | オイル量 ℓ |
軸受 | キャブタイヤケーブル | ||||||
| 相数 | V | 上部 | 下部 | 材質 | 芯数 | 断面積 mm2 |
外径 mm |
長さ m |
|||||||||
| EP-150SD EP-150SDN | 40 | 0.15 | 1 | 100 | 2 | 3000 | 3.5 | 9.5 | コンデンサー | 0.155 | 6201ZZ | 6201ZZ | VCT | 3 | 0.75 | 9.2 | 5 |
| EP-150-2TD EP-150-2TDN | 40 | 0.15 | 3 | 200 | 2 | 3000 | 1.3 | 4.2 | 直入 | 0.34 | 6201ZZ | 6203ZZ | VCT | 4 | 0.75 | 9.9 | 5 |
| EP-250SD EP-250SDN | 40 | 0.25 | 1 | 100 | 2 | 3000 | 4.3 | 17 | コンデンサー | 0.34 | 6201ZZ | 6203ZZ | VCT | 3 | 1.25 | 10.5 | 5 |
| EP-250-2TD EP-250-2TDN | 40 | 0.25 | 3 | 200 | 2 | 3000 | 1.7 | 7.6 | 直入 | 0.34 | 6201ZZ | 6203ZZ | VCT | 4 | 1.25 | 11.5 | 5 |
| EP-400SD EP-400SDN | 50 | 0.4 | 1 | 100 | 2 | 3000 | 7.6 | 25 | コンデンサー | 0.34 | 6201ZZ | 6203ZZ | VCT | 3 | 1.25 | 10.5 | 5 |
| EP-400-2TD EP-400-2TDN | 50 | 0.4 | 3 | 200 | 2 | 3000 | 2.5 | 12 | 直入 | 0.34 | 6201ZZ | 6203ZZ | VCT | 4 | 1.25 | 11.5 | 5 |
| EP-750-2TD EP-750-2TDN | 50 | 0.75 | 3 | 200 | 2 | 3000 | 3.7 | 19 | 直入 | 0.34 | 6201ZZ | 6203ZZ | VCT | 4 | 1.25 | 11.5 | 5 |
| 諸元表〔60Hz〕 | |||||||||||||||||
|---|---|---|---|---|---|---|---|---|---|---|---|---|---|---|---|---|---|
| 型 式 (交互運転型式) |
口径 mm |
出力 kW |
電圧 | 極数 P |
回転数 min-1 |
定格 電流 A |
始動 電流 A |
始動方式 | オイル量 ℓ |
軸受 | キャブタイヤケーブル | ||||||
| 相数 | V | 上部 | 下部 | 材質 | 芯数 | 断面積 mm2 |
外径 mm |
長さ m |
|||||||||
| EP-150SD EP-150SDN | 40 | 0.15 | 1 | 100 | 2 | 3600 | 3.3 | 8.8 | コンデンサー | 0.155 | 6201ZZ | 6201ZZ | VCT | 3 | 0.75 | 9.2 | 5 |
| EP-150-2TD EP-150-2TDN | 40 | 0.15 | 3 | 200 | 2 | 3600 | 1.1 | 3.8 | 直入 | 0.34 | 6201ZZ | 6203ZZ | VCT | 4 | 0.75 | 9.9 | 5 |
| EP-250SD EP-250SDN | 40 | 0.25 | 1 | 100 | 2 | 3600 | 4.7 | 16 | コンデンサー | 0.34 | 6201ZZ | 6203ZZ | VCT | 3 | 1.25 | 10.5 | 5 |
| EP-250-2TD EP-250-2TDN | 40 | 0.25 | 3 | 200 | 2 | 3600 | 1.5 | 7.3 | 直入 | 0.34 | 6201ZZ | 6203ZZ | VCT | 4 | 1.25 | 11.5 | 5 |
| EP-400SD EP-400SDN | 50 | 0.4 | 1 | 100 | 2 | 3600 | 6.4 | 22 | コンデンサー | 0.34 | 6201ZZ | 6203ZZ | VCT | 3 | 1.25 | 10.5 | 5 |
| EP-400-2TD EP-400-2TDN | 50 | 0.4 | 3 | 200 | 2 | 3600 | 2.1 | 11 | 直入 | 0.34 | 6201ZZ | 6203ZZ | VCT | 4 | 1.25 | 11.5 | 5 |
| EP-750-2TD EP-750-2TDN | 50 | 0.75 | 3 | 200 | 2 | 3600 | 3.4 | 16 | 直入 | 0.34 | 6201ZZ | 6203ZZ | VCT | 4 | 1.25 | 11.5 | 5 |